OEM Hermetycznie uszczelnione złącze SMPM Supplier

Ningbo Hanson Communication Technology Co., Ltd. Dom / Produkty / Seria hermetycznie zamknięta / Hermetycznie uszczelnione złącze SMPM

Hermetycznie uszczelnione złącze SMPM

Opis:

Uszczelnione złącze SMPM (SubMiniature Push-on Micro) to zminiaturyzowane złącze RF z pełnym wychwytem, ​​półwychwytem i otworem świetlnym, zaprojektowane z myślą o wysokich częstotliwościach, niewielkiej przestrzeni i lekkich zastosowaniach. Jest to złącze wciskane, powszechnie stosowane w sprzęcie komunikacyjnym i elektronicznym, który wymaga małej masy, wysokiej niezawodności i małych rozmiarów. Złącza SMPM charakteryzują się wysoką jakością transmisji sygnału i mogą zapewnić dobrą wydajność elektryczną.

Pytać się

Podstawowa struktura:
Uszczelnione powietrznie złącze koncentryczne RF typu SMPM-J składa się z trzech części: przewodu zewnętrznego, ośrodka szklanego i przewodu wewnętrznego. Podstawową strukturę pokazano na poniższym rysunku:

Główne parametry techniczne:

Charakterystyka elektryczna
Impedancja charakterystyczna 50 Ω Zakres częstotliwości Prąd stały~40 GHz
Napięcie wytrzymujące dielektryk 500 Vrms Rezystancja izolacji 2000M Ω
Napięcie VSWR <1,4 Utrata wtrąceniowa ≤0,05 √f dB(GHz)
Właściwości materiałowe i mechaniczne, środowiskowe
Obudowa Dostępny stop/pozłacany Kołki Łagodny stop/pozłacany
Środek izolacyjny Szkło Trwałość złącza Pełny wychwyt 100 razy
Szybkość wycieku ≤1,01325×10 Rocznie ·m³/s otwór optyczny 1000 razy
Temperatura robocza -65 ℃ ~ 165 ℃

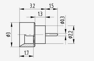
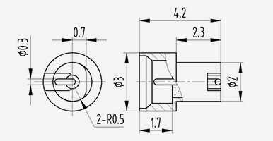
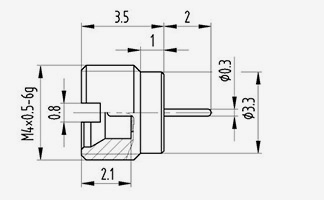
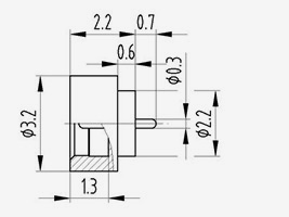
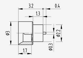
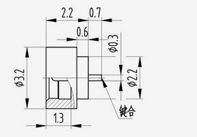
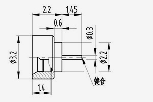
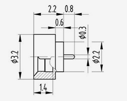
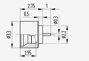
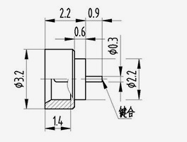
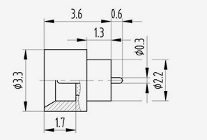
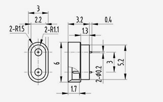
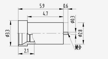
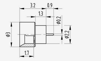
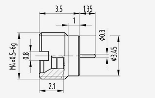
Rozmiar interfejsu:
Uszczelnione powietrznie złącza koncentryczne RF typu SMPM-J mają dwie formy interfejsu: pełny wychwyt i goły otwór. W nazewnictwie modeli litera F oznacza pełny wychwyt i
S oznacza świetlną dziurę. Wymiary interfejsu są podzielone na standardowe wymiary interfejsu i krótkie wymiary interfejsu, przy czym oba wymiary można łączyć z wtyczkami typu SMPM-K.
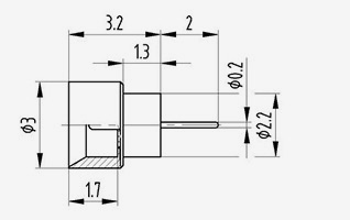
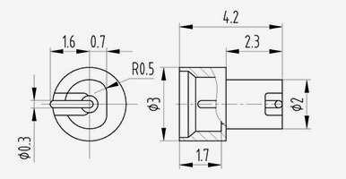
Standardowy rozmiar interfejsu:

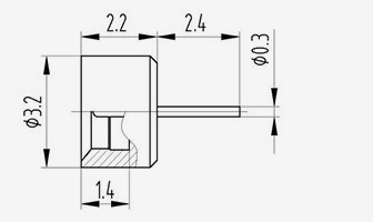
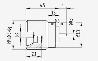
Wymiary krótkiego interfejsu:

SMPM SERIES
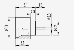
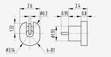
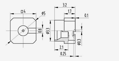
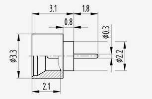
  • SMPM(M)-JYD3S
    SMPM(M)-JYD3S
    Model Uwagi
    SMPM(M)-JYD3S Gładki otwór
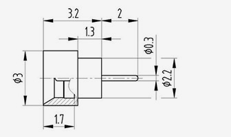
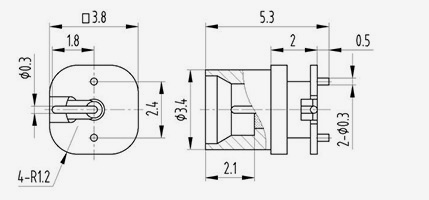
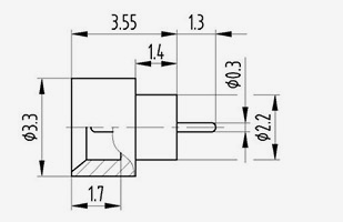
  • SMPM(M)-JYD5S
    SMPM(M)-JYD5S
    Model Uwagi
    SMPM(M)-JYD5S Gładki otwór
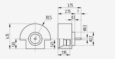
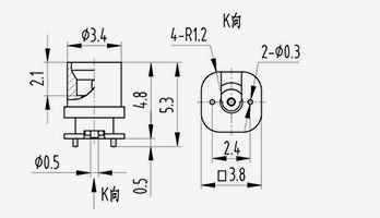
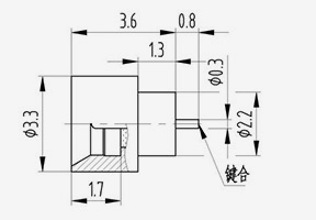
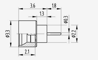
  • SMPM(M)-JYD8F
    SMPM(M)-JYD8F
    Model Uwagi
    SMPM(M)-JYD8F Pełna blokada
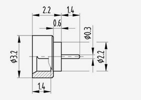
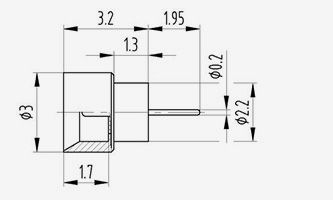
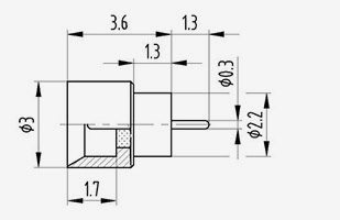
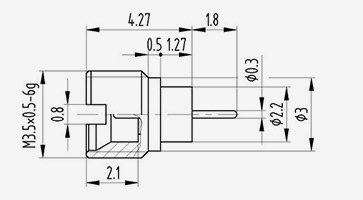
  • SMPM(M)-JYD10F
    SMPM(M)-JYD10F
    Model Uwagi
    SMPM(M)-JYD10F Pełna blokada
  • SMPM(M)-JYD12S
    SMPM(M)-JYD12S
    Model Uwagi
    SMPM(M)-JYD12S Gładki otwór
  • SMPM(M)-JYD13F
    SMPM(M)-JYD13F
    Model Uwagi
    SMPM(M)-JYD13F Pełna blokada
  • SMPM(M)-JYD14F
    SMPM(M)-JYD14F
    Model Uwagi
    SMPM(M)-JYD14F Pełna blokada
  • SMPM(M)-JYD15F
    SMPM(M)-JYD15F
    Model Uwagi
    SMPM(M)-JYD15F Pełna blokada
  • SMPM(M)-JYD16S
    SMPM(M)-JYD16S
    Model Uwagi
    SMPM(M)-JYD16S Gładki otwór
  • SMPM(M)-JYD17S
    SMPM(M)-JYD17S
    Model Uwagi
    SMPM(M)-JYD17S Gładki otwór
  • SMPM(M)-JYD18S
    SMPM(M)-JYD18S
    Model Uwagi
    SMPM(M)-JYD18S Gładki otwór
  • SMPM(M)-JYD19S
    SMPM(M)-JYD19S
    Model Uwagi
    SMPM(M)-JYD19S Gładki otwór
  • SMPM(M)-JYD20F
    SMPM(M)-JYD20F
    Model Uwagi
    SMPM(M)-JYD20F Pełna blokada
  • SMPM(M)-JYD21S
    SMPM(M)-JYD21S
    Model Uwagi
    SMPM(M)-JYD21S Gładki otwór
  • SMPM(M)-JYD22F
    SMPM(M)-JYD22F
    Model Uwagi
    SMPM(M)-JYD22F Pełna blokada
  • SMPM(M)-JYD23S
    SMPM(M)-JYD23S
    Model Uwagi
    SMPM(M)-JYD23S Gładki otwór
  • SMPM(M)-JYD24F
    SMPM(M)-JYD24F
    Model Uwagi
    SMPM(M)-JYD24F Pełna blokada
  • SMPM(M)-JYD25F
    SMPM(M)-JYD25F
    Model Uwagi
    SMPM(M)-JYD25F Pełna blokada
  • SMPM(M)-JYD26F
    SMPM(M)-JYD26F
    Model Uwagi
    SMPM(M)-JYD26F Pełna blokada
  • SMPM(M)-JYD27S
    SMPM(M)-JYD27S
    Model Uwagi
    SMPM(M)-JYD27S Gładki otwór
  • SMPM(M)-JYD28S
    SMPM(M)-JYD28S
    Model Uwagi
    SMPM(M)-JYD28S Gładki otwór
  • SMPM(M)-JYD29F
    SMPM(M)-JYD29F
    Model Uwagi
    SMPM(M)-JYD29F Pełna blokada
  • SMPM(M)-JYD30S
    SMPM(M)-JYD30S
    Model Uwagi
    SMPM(M)-JYD30S Gładki otwór
  • SMPM(M)-JYD31F
    SMPM(M)-JYD31F
    Model Uwagi
    SMPM(M)-JYD31F Pełna blokada
  • SMPM(M)-JYD32F
    SMPM(M)-JYD32F
    Model Uwagi
    SMPM(M)-JYD32F Pełna blokada
  • SMPM(M)-JYD33S
    SMPM(M)-JYD33S
    Model Uwagi
    SMPM(M)-JYD33S Gładki otwór
  • SMPM(M)-JYD34S
    SMPM(M)-JYD34S
    Model Uwagi
    SMPM(M)-JYD34S Gładki otwór
  • SMPM(M)-JYD35S
    SMPM(M)-JYD35S
    Model Uwagi
    SMPM(M)-JYD35S Gładki otwór
  • SMPM(M)-JYD36S
    SMPM(M)-JYD36S
    Model Uwagi
    SMPM(M)-JYD36S Gładki otwór
  • SMPM(M)-JYD37S
    SMPM(M)-JYD37S
    Model Uwagi
    SMPM(M)-JYD37S Gładki otwór
  • SMPM(M)-JYD38S
    SMPM(M)-JYD38S
    Model Uwagi
    SMPM(M)-JYD38S Gładki otwór
  • SMPM(M)-JYD39S
    SMPM(M)-JYD39S
    Model Uwagi
    SMPM(M)-JYD39S Gładki otwór
  • SMPM(M)-JYD41S
    SMPM(M)-JYD41S
    Model Uwagi
    SMPM(M)-JYD41S Gładki otwór
  • SMPM(M)-JYD42S
    SMPM(M)-JYD42S
    Model Uwagi
    SMPM(M)-JYD42S Gładki otwór
  • SMPM(M)-JYD43F
    SMPM(M)-JYD43F
    Model Uwagi
    SMPM(M)-JYD43F Pełna blokada
  • SMPM(M)-JYD44F
    SMPM(M)-JYD44F
    Model Uwagi
    SMPM(M)-JYD44F Pełna blokada
  • SMPM(M)-JYD45S
    SMPM(M)-JYD45S
    Model Uwagi
    SMPM(M)-JYD45S Gładki otwór
  • SMPM(M)-JYD46S
    SMPM(M)-JYD46S
    Model Uwagi
    SMPM(M)-JYD46S Gładki otwór
  • SMPM(M)-JYD60F
    SMPM(M)-JYD60F
    Model Uwagi
    SMPM(M)-JYD60F Pełna blokada
  • SMPM(M)-JYD61F
    SMPM(M)-JYD61F
    Model Uwagi
    SMPM(M)-JYD61F Pełna blokada
  • SMPM(M)-JYD62F
    SMPM(M)-JYD62F
    Model Uwagi
    SMPM(M)-JYD62F Pełna blokada
  • SMPM(M)-JYD63S
    SMPM(M)-JYD63S
    Model Uwagi
    SMPM(M)-JYD63S Gładki otwór
  • SMPM(M)-JYD64S
    SMPM(M)-JYD64S
    Model Uwagi
    SMPM(M)-JYD64S Gładki otwór
  • SMPM(M)-JYD65S
    SMPM(M)-JYD65S
    Model Uwagi
    SMPM(M)-JYD65S Gładki otwór
  • SMPM(M)-JYD66S
    SMPM(M)-JYD66S
    Model Uwagi
    SMPM(M)-JYD66S Gładki otwór
  • SMPM(M)-JHD1S
    SMPM(M)-JHD1S
    Model Uwagi
    SMPM(M)-JHD1S Gładki otwór
  • SMPM(M)-JHD2F
    SMPM(M)-JHD2F
    Model Uwagi
    SMPM(M)-JHD2F Pełna blokada
  • SMPM(M)-JHD3F
    SMPM(M)-JHD3F
    Model Uwagi
    SMPM(M)-JHD3F Pełna blokada
  • SMPM(M)-JHD4F
    SMPM(M)-JHD4F
    Model Uwagi
    SMPM(M)-JHD4F Pełna blokada
  • SMPM(M)-JHD6F
    SMPM(M)-JHD6F
    Model Uwagi
    SMPM(M)-JHD6F Pełna blokada
  • SMPM(M)-JHD21F
    SMPM(M)-JHD21F
    Model Uwagi
    SMPM(M)-JHD21F Pełna blokada
  • SMPM(M)-JFD1S
    SMPM(M)-JFD1S
    Model Uwagi
    SMPM(M)-JFD1S Gładki otwór
  • SMPM(M)-JWSD1S
    SMPM(M)-JWSD1S
    Model Uwagi
    SMPM(M)-JWSD1S Gładki otwór
  • SMPM(M)-JWSD8
    SMPM(M)-JWSD8
    Model Uwagi
    SMPM(M)-JWSD8
  • SMPM(M)-JWSD9S
    SMPM(M)-JWSD9S
    Model Uwagi
    SMPM(M)-JWSD9S Gładki otwór
  • SMPM(M)-JWSD10S
    SMPM(M)-JWSD10S
    Model Uwagi
    SMPM(M)-JWSD10S Gładki otwór
  • SMPM(M)-JSD1S
    SMPM(M)-JSD1S
    Model Uwagi
    SMPM(M)-JSD1S Gładki otwór

KONTAKTOWAĆ SIĘ

[#wejście#]
PRZEŚLIJ
O nas
Ningbo Hanson Communication Technology Co., Ltd.
Ningbo Hanson Communication Technology Co., Ltd.
Ningbo Hanson Communication Technology Co., Ltd. is China Hermetycznie uszczelnione złącze SMPM Supplier and Custom Hermetycznie uszczelnione złącze SMPM Company. We are a manufacturer specializing in the production, processing, and trade of communication components, with more than 30 years of experience in RF coaxial connectors, adapters, and cable assemblies. Obecnie firma posiada własny warsztat obróbki skrawaniem, galwanizernię, montażownię oraz grupę stabilnych i sprawdzonych dostawców. Celem firmy jest dostarczanie klientom produktów wysokiej jakości. Główne produkty to złącza koncentryczne RF, adaptery, zespoły kabli wysokiej częstotliwości i zespoły kabli o niskiej intermodulacji. Ponadto firma może świadczyć usługi dla klientów o niestandardowych potrzebach, aby spełnić specjalne wymagania klientów dotyczące produktów. Produkty firmy są szeroko stosowane w przemyśle lotniczym, komunikacyjnych stacjach bazowych, sprzęcie medycznym i innych dziedzinach zaawansowanych technologii. W czasie reformy, innowacji, rozwoju i wzrostu przedsiębiorstwa, firma podjęła inicjatywę przyłączenia się do międzynarodowego systemu zarządzania jakością ISO9001 i stale doskonaliła poziom zarządzania, aby zapewnić bardziej satysfakcjonujące produkty i usługi nowym i starym klientom.
Najnowsze wiadomości
Szukasz możliwości biznesowych?

Prośba o telefon dzisiaj