OEM Hermetycznie uszczelnione złącze SMP Supplier

Ningbo Hanson Communication Technology Co., Ltd. Dom / Produkty / Seria hermetycznie zamknięta / Hermetycznie uszczelnione złącze SMP

Hermetycznie uszczelnione złącze SMP

Opis:

Hermetyczne złącze koncentryczne RF typu SMP-J ma cechy opakowania hermetycznego i może być pakowane i spawane na obudowie tuby lub panelu urządzenia. Obudowa i wewnętrzny przewodnik tego produktu są wykonane ze stopu Kovar, a powierzchnia może być pokryta twardym złotem lub miękkim złotem; medium izolacyjne jest wykonane ze szkła spiekanego w wysokiej temperaturze, a stała dielektryczna wynosi około 4. Ma zalety: mały rozmiar, lekkość, hermetyczne uszczelnienie, wysoką niezawodność itp. Jest najczęściej używany w przypadkach, gdy wymagane są uszczelnienia lub specjalne wymagania dotyczące objętości i wagi produktu i nadaje się do intensywnej instalacji.

Pytać się

Podstawowa struktura:
Uszczelnione powietrznie złącze koncentryczne RF typu SMP-J składa się zwykle z trzech części: przewodu zewnętrznego, ośrodka szklanego i przewodu wewnętrznego, a podstawową strukturę pokazano na rysunku.

Gdy odsłonięta część wewnętrznego przewodu produktu jest połączona poprzez wtapianie lub spawanie powierzchniowe, powierzchnia czołowa wewnętrznego przewodu może być wykonana w postaci kulistej główki; gdy odsłonięta część wewnętrznego przewodu produktu jest połączona poprzez spajanie, powierzchnia czołowa wewnętrznego przewodu może być wykonana jako płaska główka lub bok odsłoniętej części wewnętrznego przewodu może być frezowany.

Główne parametry techniczne:

Charakterystyka elektryczna
Impedancja charakterystyczna 50 Ω Zakres częstotliwości Prąd stały~40 GHz
Napięcie wytrzymujące dielektryk 500 Vrms Rezystancja izolacji 2000M Ω
Napięcie VSWR <1,4 Utrata wtrąceniowa ≤0,05 √f dB(GHz)
Właściwości materiałowe i mechaniczne, środowiskowe
Obudowa Dostępny stop/pozłacany Kołki Podłącz tor Delegowalne złocenie ze stopu
Środek izolacyjny Szkło Trwałość złącza Pełne zatrzymanie ≥100 razy
Szybkość wycieku ≤1,01325×10 Rocznie ·m³/s Ograniczone zatrzymanie ≥500 razy
Temperatura robocza -65 ℃ ~ 165 ℃ Gładki otwór ≥1000 razy

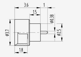
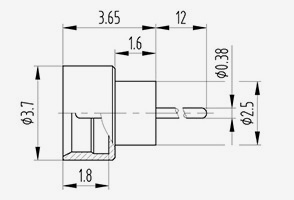
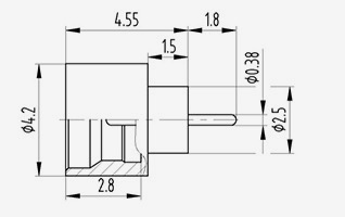
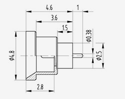
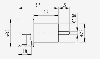
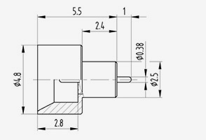
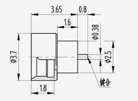
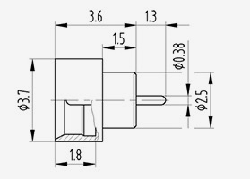
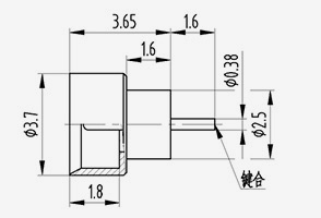
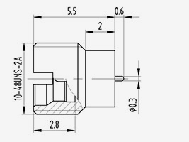
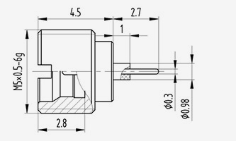
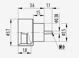
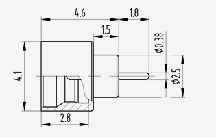
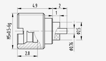
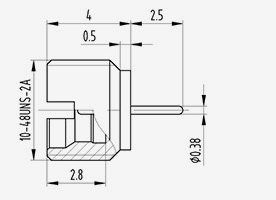
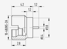
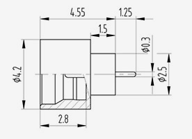
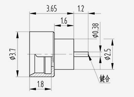
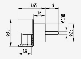
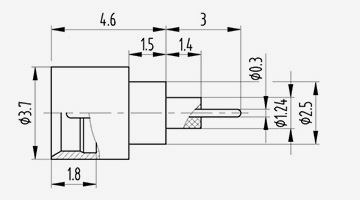
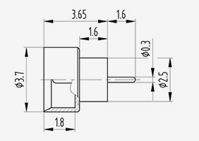
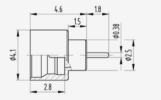
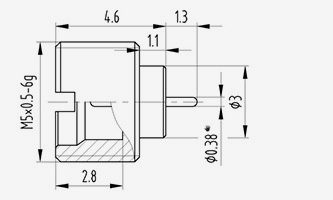
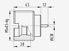
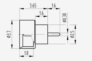
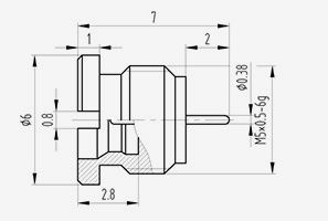
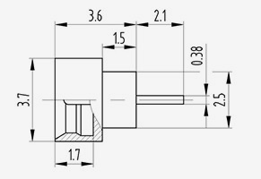
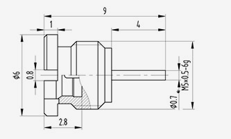
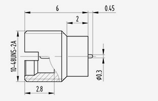
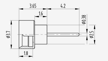
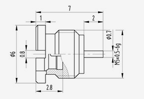
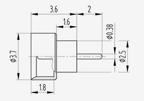
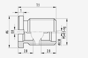
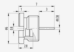
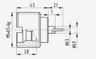
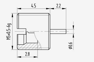
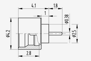
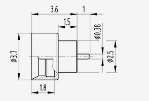
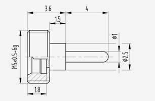
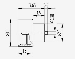
Wymiary interfejsu:
Uszczelnione powietrznie złącza koncentryczne RF typu SMP-J mają trzy formy interfejsu: pełny wychwyt, półwychwyt i lekki otwór. W nazwie modelu F oznacza pełny wychwyt, L oznacza półwychwyt, a S oznacza lekki otwór. Wymiary interfejsu podzielone są na standardowe wymiary interfejsu i krótkie wymiary interfejsu, przy czym oba wymiary można łączyć z wtyczkami typu SMP-K.

Standardowy rozmiar interfejsu:

Krótki rozmiar interfejsu:

SMP SERIES
  • SMP(M)-JYD3S
    SMP(M)-JYD3S
    Model Uwagi
    SMP(M)-JYD3S Gładki otwór
  • SMP(M)-JYD6L
    SMP(M)-JYD6L
    Model Uwagi
    SMP(M)-JYD6L Ograniczona blokada
  • SMP(M)-JYD12L
    SMP(M)-JYD12L
    Model Uwagi
    SMP(M)-JYD12L Pełna blokada
  • SMP(M)-JYD13F
    SMP(M)-JYD13F
    Model Uwagi
    SMP(M)-JYD13F Pełna blokada
  • SMP(M)-JYD14L
    SMP(M)-JYD14L
    Model Uwagi
    SMP(M)-JYD14L Ograniczona blokada
  • SMP(M)-JYD17S
    SMP(M)-JYD17S
    Model Uwagi
    SMP(M)-JYD17S Gładki otwór
  • SMP(M)-JYD19L
    SMP(M)-JYD19L
    Model Uwagi
    SMP(M)-JYD19L Ograniczona blokada
  • SMP(M)-JYD22S
    SMP(M)-JYD22S
    Model Uwagi
    SMP(M)-JYD22S Ograniczona blokada
  • SMP(M)-JYD23S
    SMP(M)-JYD23S
    Model Uwagi
    SMP(M)-JYD23S Ograniczona blokada
  • SMP(M)-JYD24S
    SMP(M)-JYD24S
    Model Uwagi
    SMP(M)-JYD24S Ograniczona blokada
  • SMP(M)-JYD25L
    SMP(M)-JYD25L
    Model Uwagi
    SMP(M)-JYD25L Ograniczona blokada
  • SMP(M)-JYD26L
    SMP(M)-JYD26L
    Model Uwagi
    SMP(M)-JYD26L Ograniczona blokada
  • SMP(M)-JYD27L
    SMP(M)-JYD27L
    Model Uwagi
    SMP(M)-JYD27L Ograniczona blokada
  • SMP(M)-JYD28L
    SMP(M)-JYD28L
    Model Uwagi
    SMP(M)-JYD28L Ograniczona blokada
  • SMP(M)-JYD29L
    SMP(M)-JYD29L
    Model Uwagi
    SMP(M)-JYD29L Ograniczona blokada
  • SMP(M)-JYD30L
    SMP(M)-JYD30L
    Model Uwagi
    SMP(M)-JYD30L Ograniczona blokada
  • SMP(M)-JYD31L
    SMP(M)-JYD31L
    Model Uwagi
    SMP(M)-JYD31L Ograniczona blokada
  • SMP(M)-JYD32F
    SMP(M)-JYD32F
    Model Uwagi
    SMP(M)-JYD32F Ograniczona blokada
  • SMP(M)-JYD33L
    SMP(M)-JYD33L
    Model Uwagi
    SMP(M)-JYD33L Ograniczona blokada
  • SMP(M)-JYD34L
    SMP(M)-JYD34L
    Model Uwagi
    SMP(M)-JYD34L Ograniczona blokada
  • SMP(M)-JYD35L
    SMP(M)-JYD35L
    Model Uwagi
    SMP(M)-JYD35L Ograniczona blokada
  • SMP(M)-JYD37L
    SMP(M)-JYD37L
    Model Uwagi
    SMP(M)-JYD37L Ograniczona blokada
  • SMP(M)-JYD41L
    SMP(M)-JYD41L
    Model Uwagi
    SMP(M)-JYD41L Ograniczona blokada
  • SMP(M)-JYD42S
    SMP(M)-JYD42S
    Model Uwagi
    SMP(M)-JYD42S Ograniczona blokada
  • SMP(M)-JYD43L
    SMP(M)-JYD43L
    Model Uwagi
    SMP(M)-JYD43L Ograniczona blokada
  • SMP(M)-JYD44L
    SMP(M)-JYD44L
    Model Uwagi
    SMP(M)-JYD44L Ograniczona blokada
  • SMP(M)-JYD45L
    SMP(M)-JYD45L
    Model Uwagi
    SMP(M)-JYD45L Ograniczona blokada
  • SMP(M)-JYD46L
    SMP(M)-JYD46L
    Model Uwagi
    SMP(M)-JYD46L Ograniczona blokada
  • SMP(M)-JYD47L
    SMP(M)-JYD47L
    Model Uwagi
    SMP(M)-JYD47L Ograniczona blokada
  • SMP(M)-JYD48L
    SMP(M)-JYD48L
    Model Uwagi
    SMP(M)-JYD48L Ograniczona blokada
  • SMP(M)-JYD49L
    SMP(M)-JYD49L
    Model Uwagi
    SMP(M)-JYD49L Ograniczona blokada
  • SMP(M)-JYD50S
    SMP(M)-JYD50S
    Model Uwagi
    SMP(M)-JYD50S Gładki otwór
  • SMP(M)-JYD51L
    SMP(M)-JYD51L
    Model Uwagi
    SMP(M)-JYD51L Ograniczona blokada
  • SMP(M)-JYD52S
    SMP(M)-JYD52S
    Model Uwagi
    SMP(M)-JYD52S Gładki otwór
  • SMP(M)-JYD53L
    SMP(M)-JYD53L
    Model Uwagi
    SMP(M)-JYD53L Ograniczona blokada
  • SMP(M)-JYD54S
    SMP(M)-JYD54S
    Model Uwagi
    SMP(M)-JYD54S Gładki otwór
  • SMP(M)-JYD55L
    SMP(M)-JYD55L
    Model Uwagi
    SMP(M)-JYD55L Ograniczona blokada
  • SMP(M)-JYD57S
    SMP(M)-JYD57S
    Model Uwagi
    SMP(M)-JYD57S Gładki otwór
  • SMP(M)-JYD80L
    SMP(M)-JYD80L
    Model Uwagi
    SMP(M)-JYD80L Ograniczona blokada
  • SMP(M)-JYD81L
    SMP(M)-JYD81L
    Model Uwagi
    SMP(M)-JYD81L Ograniczona blokada
  • SMP(M)-JYD82L
    SMP(M)-JYD82L
    Model Uwagi
    SMP(M)-JYD82L Ograniczona blokada
  • SMP(M)-JYD83F
    SMP(M)-JYD83F
    Model Uwagi
    SMP(M)-JYD83F Pełna blokada
  • SMP(M)-JYD84S
    SMP(M)-JYD84S
    Model Uwagi
    SMP(M)-JYD84S Gładki otwór
  • SMP(M)-JYD85S
    SMP(M)-JYD85S
    Model Uwagi
    SMP(M)-JYD85S Gładki otwór
  • SMP(M)-JYD86L
    SMP(M)-JYD86L
    Model Uwagi
    SMP(M)-JYD86L Ograniczona blokada
  • SMP(M)-JYD87S
    SMP(M)-JYD87S
    Model Uwagi
    SMP(M)-JYD87S Gładki otwór
  • SMP(M)-JYD88L
    SMP(M)-JYD88L
    Model Uwagi
    SMP(M)-JYD88L Ograniczona blokada
  • SMP(M)-JYD89L
    SMP(M)-JYD89L
    Model Uwagi
    SMP(M)-JYD89L Ograniczona blokada
  • SMP(M)-JYD90L
    SMP(M)-JYD90L
    Model Uwagi
    SMP(M)-JYD90L Ograniczona blokada
  • SMP(M)-JYD91L
    SMP(M)-JYD91L
    Model Uwagi
    SMP(M)-JYD91L Ograniczona blokada
  • SMP(M)-JYD92L
    SMP(M)-JYD92L
    Model Uwagi
    SMP(M)-JYD92L Ograniczona blokada
  • SMP(M)-JYD93S
    SMP(M)-JYD93S
    Model Uwagi
    SMP(M)-JYD93S Gładki otwór
  • SMP(M)-JYD94L
    SMP(M)-JYD94L
    Model Uwagi
    SMP(M)-JYD94L Ograniczona blokada
  • SMP(M)-JYD95L
    SMP(M)-JYD95L
    Model Uwagi
    SMP(M)-JYD95L Ograniczona blokada
  • SMP(M)-JYD96L
    SMP(M)-JYD96L
    Model Uwagi
    SMP(M)-JYD96L Ograniczona blokada
  • SMP(M)-JYD97S
    SMP(M)-JYD97S
    Model Uwagi
    SMP(M)-JYD97S Gładki otwór
  • SMP(M)-JYJ1S
    SMP(M)-JYJ1S
    Model Uwagi
    SMP(M)-JYJ1S Gładki otwór

KONTAKTOWAĆ SIĘ

[#wejście#]
PRZEŚLIJ
O nas
Ningbo Hanson Communication Technology Co., Ltd.
Ningbo Hanson Communication Technology Co., Ltd.
Ningbo Hanson Communication Technology Co., Ltd. is China Hermetycznie uszczelnione złącze SMP Supplier and Custom Hermetycznie uszczelnione złącze SMP Company. We are a manufacturer specializing in the production, processing, and trade of communication components, with more than 30 years of experience in RF coaxial connectors, adapters, and cable assemblies. Obecnie firma posiada własny warsztat obróbki skrawaniem, galwanizernię, montażownię oraz grupę stabilnych i sprawdzonych dostawców. Celem firmy jest dostarczanie klientom produktów wysokiej jakości. Główne produkty to złącza koncentryczne RF, adaptery, zespoły kabli wysokiej częstotliwości i zespoły kabli o niskiej intermodulacji. Ponadto firma może świadczyć usługi dla klientów o niestandardowych potrzebach, aby spełnić specjalne wymagania klientów dotyczące produktów. Produkty firmy są szeroko stosowane w przemyśle lotniczym, komunikacyjnych stacjach bazowych, sprzęcie medycznym i innych dziedzinach zaawansowanych technologii. W czasie reformy, innowacji, rozwoju i wzrostu przedsiębiorstwa, firma podjęła inicjatywę przyłączenia się do międzynarodowego systemu zarządzania jakością ISO9001 i stale doskonaliła poziom zarządzania, aby zapewnić bardziej satysfakcjonujące produkty i usługi nowym i starym klientom.
Najnowsze wiadomości
Szukasz możliwości biznesowych?

Prośba o telefon dzisiaj