OEM Złącze BNC Supplier

Złącze BNC

Opis:

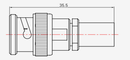
Złącze koncentryczne RF serii BNC to koncentryczne złącze RF typu bagnetowego opracowane zgodnie z amerykańską normą wojskową MIL-C-39012. Charakteryzuje się szybkim połączeniem i niezawodnym kontaktem i jest jednym z najczęściej używanych i używanych złączy na świecie. Impedancja charakterystyczna złącza koncentrycznego RF serii BNC jest podzielona na 50 Ω i 75 Ω, a rozmiary dwóch różnych złączy impedancyjnych są dopasowane.

Parametr:

Główne dane techniczne:
◆ Impedancja charakterystyczna: 50 Ω/75 Ω
◆ Zakres częstotliwości: DC-4 GHz (50 Ω)/DC-1 GHz (75 Ω)
◆ Rezystancja izolacji: ≥5000MΩ
◆ Wytrzymałe napięcie dielektryczne: 1500 V (rms)
◆ Współczynnik fali stojącej napięcia (VSWR): ≤1,25
◆ Cykle krycia: 500 razy

Pytać się

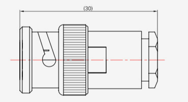
Ciemny
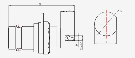
Por
Milimetry (cale)
Minimum Maksymalny
A 0,432 (10,97) 0,436 (11,07)
B 0,378 (9,60) 0,382 (9,70)
C 0,327 (8,31) 0,333 (8,46)
D 0,319 (8,10) 0,321 (8,15)
F 0,204 (5,18) 0,208 (5,28)
G 0,327(8,31) 0,335 (8,51)
H 0,075 (1,91) 081(2,06)
0,186(4,72) 0,206 (5,23)
K ---------------- 0,006(0,15)
L 0,195 (4,95) ----------------
M 0,081 (2,06) 087 (2,21)
N 0,346(8,79) 0,356 (9,04)
P ---------------- 0,256 (6,50)
R 0,015 (0,38) 0,030 (0,76)
S 0,414 (10,52) ----------------

Uwagi:
1. Wymiary podano w calach. W nawiasach podano odpowiedniki metryczne.
2. Odpowiedniki metryczne podano wyłącznie w celach informacyjnych.
3. Interfejs ten powinien spełniać wymagania dotyczące skrajni określone na rysunku lub specyfikacji DSCC.
4. Luz dla nakrętki łączącej złącza.
5. Wymiar „P” dotyczy tej części (jeśli ma to zastosowanie) dielektryka, która wystaje poza płaszczyzny odniesienia o wymiar K.
6. „M” obowiązuje tylko na długości „L”.

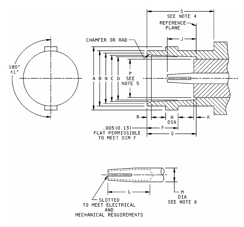
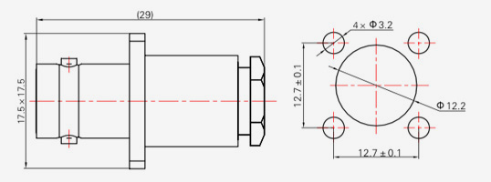
Ciemny
Por
Milimetry (cale)
Minimum Maksymalny
A 385 (9,78) 0,390 (9,91)
B Próba miernika
D 0,052 (1,32) 0,054 (1,37)
mi 0,210 (5,33) 0,230 (5,84)
G 0,091(2,31) 0,097 (2,46)
H 0,463 (11,76) 0,473 (12,01)
H zastępca 0,394 (10,01) 0,400 (10,16)
J 0,124(3,15) ----------------
K 0,091(2,31) 0,097 (2,46)
L 0,003 (0,08) ----------------
M 0,018 (0,46) 0,022 (0,56)
N ---------------- 0,025 (0,64)
P 0,208 (5,28) ----------------
Q 0,078 (1,98) ----------------
T 0,045 (1,14) 0,049 (1,24)
U 0,180(4,57) 0,184 (4,67)

Uwagi:
1. Wymiary podano w calach. W nawiasach podano odpowiedniki metryczne.
2. Odpowiedniki metryczne podano wyłącznie w celach informacyjnych.
3. W stanie sprzężonym siła wzdłużna sprężyny mechanizmu sprzęgającego powinna przekraczać nacisk wywierany przez uszczelkę o wielkość niezbędną do zapewnienia styku styków zewnętrznych z płaszczyzną odniesienia.
4. Interfejs ten powinien spełniać określone wymagania dotyczące miernika.

BNC SERIES
  • BNC-JB3
    BNC-JB3
    Model Typ kabla
    BNC-JB3 SFT-50-3, 670-141
  • BNC-KB3
    BNC-KB3
    Model Typ kabla
    BNC-KB3 SFT-50-3,670-141
  • BNC-KYB2
    BNC-KYB2
    MoDel Typ kabla d
    BNC-KYB2 SFT-50-2,670-086 Φ2,2
    BNC-KYB3 SFT-50-2,670-141 Φ3,6
  • BNC-J3
    BNC-J3
    Model Typ kabla
    BNC-J3 SYV-50-2-1,RG316
    BNC-J4 SYV-50-2-2
    BNC-J5,(K)5 SYV-50-3, SFCJ-50-3-51, RG142
    BNC-J7 SYV-50-5-1, SFCJ-50-5-51
    BNC-J10 SYV-50-7-1,SYV-50-7-2,SFCJ-50-7-51
  • BNC-J3Y
    BNC-J3Y
    Model Typ kabla
    BNC-J3Y SYV-50-2-1
    BNC-J5Y SYV-50-3
  • BNC-J12
    BNC-J12
    Model Typ kabla
    BNC-J12 SYV-75-3
  • BNC-75J13Y
    BNC-75J13Y
    Model Typ kabla
    BNC-75J13Y SYV-75-5
  • BNC-JW3Y
    BNC-JW3Y
    Model Typ kabla
    BNC-JW3Y SYV-50-2-1,RG316
  • BNC-KF3
    BNC-KF3
    Model Typ kabla
    BNC-KF3 SYV-50-2-1,RG316
    BNC-KF4 SYV-50-2-2
    BNC-KF5 SYV-50-3,SFCJ-50-3-51,RG142
  • BNC-KY3
    BNC-KY3
    Model Typ kabla
    BNC-KY3 SYV-50-2-1,RG316
    BNC-KY4 SYV-50-2-2
    BNC-KY5 SYV-50-3,SFCJ-50-3-51,RG142
  • BNC-KF
    BNC-KF
  • BNC-KY
    BNC-KY

KONTAKTOWAĆ SIĘ

[#wejście#]
PRZEŚLIJ
O nas
Ningbo Hanson Communication Technology Co., Ltd.
Ningbo Hanson Communication Technology Co., Ltd.
Ningbo Hanson Communication Technology Co., Ltd. is China Złącze BNC Supplier and Custom Złącze BNC Company. We are a manufacturer specializing in the production, processing, and trade of communication components, with more than 30 years of experience in RF coaxial connectors, adapters, and cable assemblies. Obecnie firma posiada własny warsztat obróbki skrawaniem, galwanizernię, montażownię oraz grupę stabilnych i sprawdzonych dostawców. Celem firmy jest dostarczanie klientom produktów wysokiej jakości. Główne produkty to złącza koncentryczne RF, adaptery, zespoły kabli wysokiej częstotliwości i zespoły kabli o niskiej intermodulacji. Ponadto firma może świadczyć usługi dla klientów o niestandardowych potrzebach, aby spełnić specjalne wymagania klientów dotyczące produktów. Produkty firmy są szeroko stosowane w przemyśle lotniczym, komunikacyjnych stacjach bazowych, sprzęcie medycznym i innych dziedzinach zaawansowanych technologii. W czasie reformy, innowacji, rozwoju i wzrostu przedsiębiorstwa, firma podjęła inicjatywę przyłączenia się do międzynarodowego systemu zarządzania jakością ISO9001 i stale doskonaliła poziom zarządzania, aby zapewnić bardziej satysfakcjonujące produkty i usługi nowym i starym klientom.
Najnowsze wiadomości
Szukasz możliwości biznesowych?

Prośba o telefon dzisiaj