OEM Złącze TNC Supplier

Złącze TNC

Opis:

Złącza koncentryczne RF serii TNC zostały opracowane i wyprodukowane zgodnie z amerykańską normą wojskową MIL-C-39012. Charakteryzują się szeroką przepustowością, niezawodnym połączeniem i dobrą odpornością na wstrząsy. Nadają się do złączy i kabli RF do wejścia i wyjścia sygnału sprzętu radiowego, instrumentów elektronicznych i różnych komponentów laserowych.

Parametr:

Główne dane techniczne:
◆ Impedancja charakterystyczna: 50 Ω
◆ Zakres częstotliwości: DC-18 GHz
◆ Rezystancja izolacji: ≥5000MΩ
◆ Wytrzymywane napięcie dielektryczne: 1500 V (rms)
◆ Współczynnik fali stojącej napięcia (VSWR): ≤1,30
◆ Cykle krycia: 500 razy

Pytać się

Ciemny
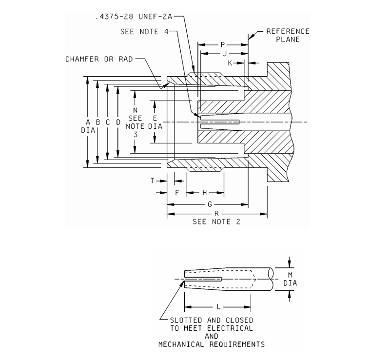
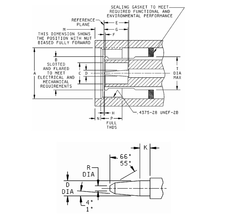
Por
Milimetry (cale)
Minimum Maksymalny
A 0,378 (9,60) 0,381 (9,68)
B 0,346 (8,79) 0,356 (9,04)
C 0,327 (8,31) 0,333 (8,46)
D 0,319 (8,10) 0,321 (8,15)
mi ---------------------- 0,186 (4,72)
F 0,068 (1,73) 0,088 (2,24)
G 0,327 (8,31) 0,335 (8,51)
H 0,187 (4,75) ----------------------
J 0,186 (4,72) 0,206 (5,23)
K ---------------------- 0,006 (0,15)
L 0,195 (4,95) ----------------------
M 0,081 (2,06) 0,087 (2,21)
N ---------------------- 0,256 (6,50)
P 0,188 (4,78) 0,208 (5,28)
R 0,414 (10,52) ----------------------
T 0,015 (0,38) 0,030 (0,76)

Uwagi:
1. Interfejs ten musi spełniać wymagania dotyczące skrajni określone w
MIL-PRF-39012/28.
2. Luz dla nakrętki łączącej złącza.
3. Wymiar dotyczy tej części (jeśli ma to zastosowanie) dielektryka
który wystaje poza metal
pobocze (lub płaszczyzna odniesienia) według wymiaru K.
4. Identyfikator zgodny z VSwR w połączeniu z kołkiem o średnicy 0,052 cala (1,32 mm)/054 (1,37 mm).

Ciemny
Por
Milimetry (cale)
Minimum Maksymalny
A 0,440 (11,18) ----------------------
B Próba miernika
C 0,190 (4,83) ----------------------
D 0,052 (1,32) 0,054 (1,37)
mi 0,210 (5,33) 0,230 (5,84)
F 0,006 (0,15) ----------------------
G 0,208 (5,28) 0,228 (5,79)
H 0,003 (0,08) 0,040 (1,02)
K 0,078 (1,98) ----------------------
M ---------------------- 0,078 (1,98)
N 0,063 (1,60) ----------------------
P 0,156 (3,96) ----------------------
R ---------------------- 0,025 (0,64)
T ---------------------- 0,322 (8,18)

Uwagi:
1. Interfejs ten musi spełniać wymagania dotyczące skrajni określone w MIL-PRF-39012/26.

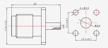
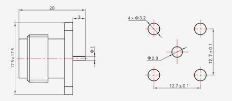
TNC SERIES
  • TNC-KF3A
    TNC-KF3A
    Model Typ kabla
    TNC-KF3A SYV-50-2-1,RG316
    TNC-KF5A SYV-50-3,RG142,SFCJ-50-3-51
  • TNC-KF3A-1
    TNC-KF3A-1
    Model Typ kabla
    TNC-KF3A-1 SYV-50-2-1,RG316
  • TNC-JB2
    TNC-JB2
    MoDel Typ kabla d
    TNC-JB2 SFT-50-2,670-086 Φ2,2
    TNC-JB3 SFT-50-3,670-141 Φ3,6
  • TNC-JWB2
    TNC-JWB2
    MoDel Typ kabla d
    TNC-JWB2 SFT-50-2,670-086 Φ2,2
    TNC-JWB3 SFT-50-3,670-141 Φ3,6
  • TNC-KB2
    TNC-KB2
    MoDel Typ kabla d
    TNC-KB2 SFT-50-2,670-086 Φ2,2
    TNC-KB3 SFT-50-3,670-141 Φ3,6
  • TNC-KFB2
    TNC-KFB2
    MoDel Typ kabla d
    TNC-KFB2 SFT-50-2,670-086 Φ2,2
    TNC-KFB3 SFT-50-3,670-141 Φ3,6
  • TNC-KFB2-1
    TNC-KFB2-1
    MoDel Typ kabla d
    TNC-KFB2-1 SFT-50-2,670-086 Φ2,2
    TNC-KFB3-1 SFT-50-3,670-141 Φ3,6
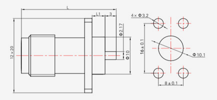
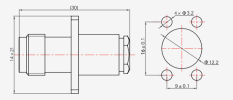
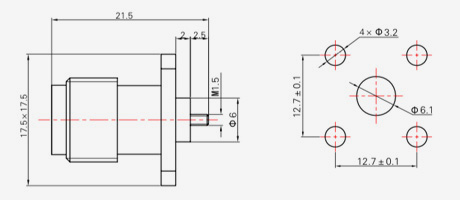
  • TNC-KFD2
    TNC-KFD2
    Model L L1
    KFD2 27 3.5
    KFD3 22 2
  • TNC-J3A
    TNC-J3A
    Model Typ kabla
    TNC-J3A SYV-50-2-1,RG316
    TNC-J5A SYV-50-3-4, RG142, SFCJ-50-3-51
    TNC-J5AC
  • TNC-J4
    TNC-J4
    Model Typ kabla L
    TNC-J4 SYV-50-2-2 31
    TNC-J5 SYV-50-3-4, SFCJ-50-3-51,RG316 31
    TNC-(K)5
    TNC-J5C
    TNC-J7 SYV-50-5-1, SFCJ-50-5-51 36
    TNC-J7C
    TNC-J10 SYV-50-7-1, SYV-50-7-2, SFCJ-50-7-51 36
    TNC-J10C
  • TNC-JW5
    TNC-JW5
    Model Typ kabla
    TNC-JW5 SYV-50-3-4, SFCJ-50-3-51, RG142
    TNC-JW7 SYV-50-5-1, SFCJ-50-5-51
    TNC-JW10 SYV-50-7-2,SFCJ-50-7-51
  • TNC-JW5-1
    TNC-JW5-1
    Model Typ kabla
    TNC-JW5-1 SYV-50-3-4,SFCJ-50-3-51,RG142
  • TNC-K5
    TNC-K5
    Model Typ kabla L
    TNC-K5 SYV-50-3-4, SFCJ-50-3-51,RG142 31
    TNC-(J)5
    TNC-K7 SYV-50-5-1, SFCJ-50-5-51 33
    TNC-K10 SYV-50-7-1, SYV-50-7-2,SFCJ-50-7-51 33
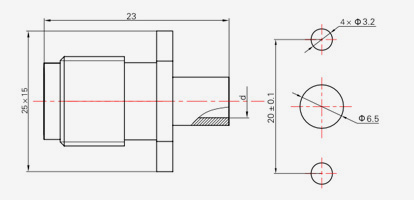
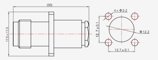
  • TNC-KFD1
    TNC-KFD1
  • TNC-KFD4
    TNC-KFD4

KONTAKTOWAĆ SIĘ

[#wejście#]
PRZEŚLIJ
O nas
Ningbo Hanson Communication Technology Co., Ltd.
Ningbo Hanson Communication Technology Co., Ltd.
Ningbo Hanson Communication Technology Co., Ltd. is China Złącze TNC Supplier and Custom Złącze TNC Company. We are a manufacturer specializing in the production, processing, and trade of communication components, with more than 30 years of experience in RF coaxial connectors, adapters, and cable assemblies. Obecnie firma posiada własny warsztat obróbki skrawaniem, galwanizernię, montażownię oraz grupę stabilnych i sprawdzonych dostawców. Celem firmy jest dostarczanie klientom produktów wysokiej jakości. Główne produkty to złącza koncentryczne RF, adaptery, zespoły kabli wysokiej częstotliwości i zespoły kabli o niskiej intermodulacji. Ponadto firma może świadczyć usługi dla klientów o niestandardowych potrzebach, aby spełnić specjalne wymagania klientów dotyczące produktów. Produkty firmy są szeroko stosowane w przemyśle lotniczym, komunikacyjnych stacjach bazowych, sprzęcie medycznym i innych dziedzinach zaawansowanych technologii. W czasie reformy, innowacji, rozwoju i wzrostu przedsiębiorstwa, firma podjęła inicjatywę przyłączenia się do międzynarodowego systemu zarządzania jakością ISO9001 i stale doskonaliła poziom zarządzania, aby zapewnić bardziej satysfakcjonujące produkty i usługi nowym i starym klientom.
Najnowsze wiadomości
Szukasz możliwości biznesowych?

Prośba o telefon dzisiaj