OEM N type RF Coaxial Connector Supplier

Ningbo Hanson Communication Technology Co., Ltd. Dom / Produkty / Złącze koncentryczne RF / Złącze koncentryczne RF typu N

Złącze koncentryczne RF typu N

Opis:

Złącze koncentryczne RF serii N to złącze koncentryczne RF z gwintowanym mechanizmem połączenia opracowanym i wyprodukowanym zgodnie z amerykańską normą wojskową MIL-C-39012. Charakteryzuje się szerokim pasmem, dobrą odpornością na wstrząsy, wysoką niezawodnością i doskonałą wydajnością i jest szeroko stosowany w komunikacji mikrofalowej i systemach pomiarowych. Impedancja charakterystyczna złącza koncentrycznego RF serii N produkowanego przez naszą fabrykę dzieli się na dwa typy: 50 Ω i 75 Ω.

Parametr:

Główne dane techniczne:
◆ Impedancja charakterystyczna: 50 Ω/75 Ω
◆ Zakres częstotliwości: DC-18 GHz (50 Ω)/DC-3 GHz (75 Ω)
◆ Rezystancja izolacji: ≥5000MΩ
◆ Wytrzymywane napięcie dielektryczne: 1500 V (rms)
◆ Współczynnik fali stojącej napięcia (VSWR): ≤1,30
◆ Cykle krycia: 500 razy

Pytać się

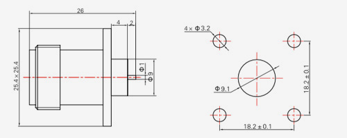
Ciemny
Por
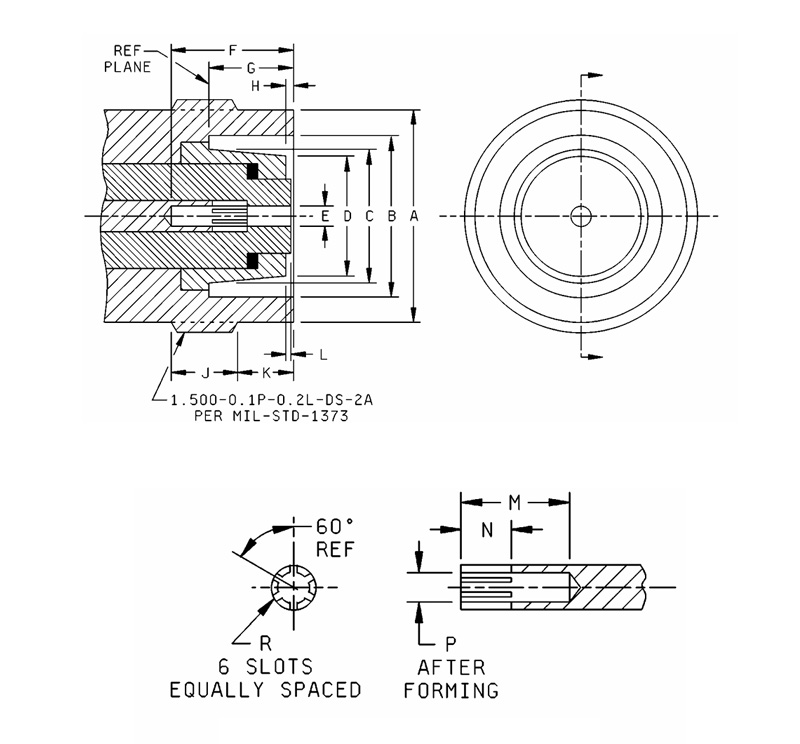
Cale (mm)
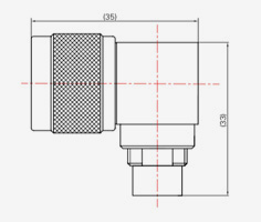
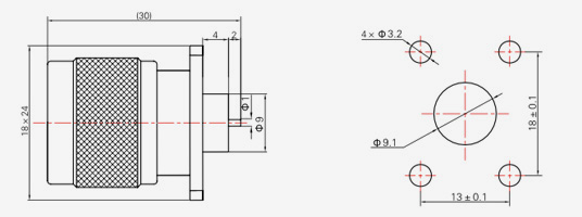
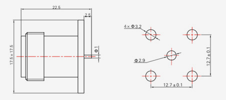
Min. Maks.
A 0,336 (8,53) 0,344 (8,74)
B 0,316 (8,03) 0,320 (8,13)
C 0,356 (9,04) 0,362 (9,19)
D 0,187 (4,75) 0,207 (5,26)
mi ---------- 0,627 (15,93)
F 0,119 (3,02) 0,124 (3,15)
G 0,422 (10,72) ----------
H 0,172 (4,37) 0,220 (5,59)
J 0,047 (1,19) 0,077 (1,96)
K 0,047 (1,19) 0,077 (1,96)
L 0,187 (4,75) 0,207 (5,26)
N 0,210 (5,33) ----------

Uwagi:
1. Interfejs ten musi spełniać wymagania dotyczące skrajni określone w
MIL-PRF-39o12/2.
2. Luz dla nakrętki łączącej złącza.
3. Aby spełnić VSwR, charakterystykę łączenia, rezystancję styku i
trwałość złącza w połączeniu z kołkiem o średnicy .063/.066.

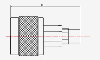
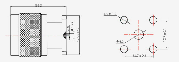
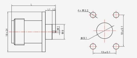
Ciemny
Por
Cale (mm)
Min. Maks.
A 1,740 (44,20) 1,760 (44,70)
B 1,537 (39,04) 1,543 (39,19)
C 1,060 (26,92) 1,064 (27,03)
D 0,964 (24,49) 0,974 (24,74)
mi 0,194 (4,93) 0,196 (4,98)
F 0,836 (21,23) 0,856 (21,74)
G 0,372 (9,45) 0,392 (9,96)
H 0,271 (6,88) 0,291 (7,39)
J 551 (14.00) 0,571 (14,50)
K 0,370 (9,40) 0,380 (9,65)
L 0,001 (0,03) 0,013 (0,33)

Uwagi:
1. Interfejs ten musi spełniać wymagania dotyczące skrajni określone w MIL-PRF-39012/44.

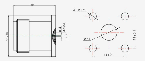
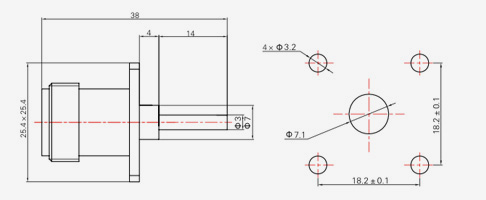
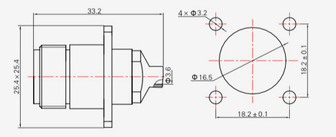
Ciemny
Por
Cale (mm)
Min. Maks.
A 1,404 (35,66) 1,408 (35,76)
B 1,100 (27,94) 1,120 (28,45)
C 1,998 (50,75) 1,002 (25,45)
D 936 (23,77) 0,940 (23,88)
mi 0,191 (4,85) 0,195 (4,95)
F 0,763 (19,38) 0,783 (19,89)
G 0,465 (11,81) 0,485 (12,32)
H 0,062 (1,57) Odniesienie
J 0,302 (7,67) 0,322 (8,18)
K 0,302 (7,67) 0,322 (8,18)
L 0,001 (0,03) 0,013 (0,33)
M 0,490 (12,45) 0,510 (12,95)
N 0,240 (6,10) ,260 (6,60)
P 0,187 (4,75) 0,189 (4,80)
R 0,014 (0,36) 0,018 (0,46)

Uwagi:
1. Interfejs ten musi spełniać wymagania dotyczące skrajni określone w MIL-PRF-39012/45.

N SERIES
  • N-JB2
    N-JB2
    MoDel Typ kabla d
    N-JB2 SFT-50-2,670-086 Φ2,2
    N-JB3 SFT-50-3,670-141 Ф3,6
  • N-JB3-1
    N-JB3-1
    Model Typ kabla L
    N-JB3-1 SFT-50-3,670-141 17.6
    N-JB3A-1 SFT-50-3,670-141 16.5
  • N-KB3
    N-KB3
    Model Typ kabla
    N-KB3 SFT-50-3,670-141
  • N-KFB3
    N-KFB3
    Model Typ kabla
    N-KFB3 SFT-50-3,670-141
  • N-KYB3
    N-KYB3
    Model Typ kabla
    N-KYB3 SFT-50-3,670-141
  • N-J3
    N-J3
    Model Typ kabla
    N-J3 SYV-50-2-1,RG316
    N-J4 SYV-50-2-2
  • N-J5
    N-J5
    Model Typ kabla L
    N-J5 SYV-50-3, RG142, SFCJ-50-3-51 33
    N-J5C SYV-50-3, RG142, SFCJ-50-3-51 33
    N-J7 SYV-50-5-1, SFCJ-50-5-51 36
    N-J10 SYV-50-7-1, SYV-50-7-2,SFCJ-50-7-51 36
  • N-J5.3
    N-J5.3
    Model Typ kabla
    N-J5.3 32055,205,GNB415
  • N-J311
    N-J311
    Model Typ kabla
    N-J311 FFB311A
  • N-J10-1
    N-J10-1
    Model Typ kabla
    N-J10-1 SFCJ-50-7-51
  • N-JW5
    N-JW5
    Model Typ kabla
    N-JW5 SFCJ-50-3-51,SYV-50-3-4,RG142
    N-JW7 SFCJ-50-5-51,SYV-50-5-1
    N-JW10 SFCJ-50-7-51,SYV-50-7-2
  • N-JW8A
    N-JW8A
    Model Typ kabla
    N-JW8A FFB311A,SYV-50-5
    N-JW12A SYV-75-3
    N-JW13A SYV-75-5
  • N-K3
    N-K3
    Model Typ kabla
    N-K3 SYV-50-2-1,RG316
  • N-K5
    N-K5
    Model Typ kabla L
    N-K5 SYV-50-3, RG142, SFCJ-50-3-51 36
    N-K7 SYV-50-5-1, SFCJ-50-5-51 38
    N-K10 SYV-50-7-1,SFCJ-50-7-51 38
  • N-KF5
    N-KF5
    Model Typ kabla L
    N-KF5 SYV-50-3, RG142, SFCJ-50-3-51 36
    N-KF7 SYV-50-5-1, SFCJ-50-5-51 38
    N-KF10 SYV-50-7-1,SFCJ-50-7-51 38
  • N-KF3A
    N-KF3A
    Model Typ kabla L
    N-KF3A SYV-50-2-1,RG316 33
    N-KF5A SYV-50-3-4,RG142 42
  • N-KY3Y
    N-KY3Y
    Model Typ kabla
    N-KY3Y SYV-50-2-1,RG316
  • N-KFD
    N-KFD
    Model L L1 L2
    KFD 26 4 2
    KFD2 31 6 5
    KFD15 30 6 4
    KFD16 28.5 6 2.5
    KFD17 28 6 2
    KFD18 29 5 4
    KFD19 29 4 5
    KFD20 33 4 9
  • N-KF
    N-KF
  • N-JFD1
    N-JFD1
  • N-JFD2
    N-JFD2
  • N-JFD3
    N-JFD3
  • N-JFD23
    N-JFD23
  • N-KFD1
    N-KFD1
  • N-KFD7
    N-KFD7
  • N-KFD11
    N-KFD11
  • N-KFD50
    N-KFD50
  • N-KFD-Z
    N-KFD-Z
  • N-KFD9
    N-KFD9
  • N-KFD14
    N-KFD14

KONTAKTOWAĆ SIĘ

[#wejście#]
PRZEŚLIJ
O nas
Ningbo Hanson Communication Technology Co., Ltd.
Ningbo Hanson Communication Technology Co., Ltd.
Ningbo Hanson Communication Technology Co., Ltd. is China N type RF Coaxial Connector Supplier and Custom N type RF Coaxial Connector Company. We are a manufacturer specializing in the production, processing, and trade of communication components, with more than 30 years of experience in RF coaxial connectors, adapters, and cable assemblies. Obecnie firma posiada własny warsztat obróbki skrawaniem, galwanizernię, montażownię oraz grupę stabilnych i sprawdzonych dostawców. Celem firmy jest dostarczanie klientom produktów wysokiej jakości. Główne produkty to złącza koncentryczne RF, adaptery, zespoły kabli wysokiej częstotliwości i zespoły kabli o niskiej intermodulacji. Ponadto firma może świadczyć usługi dla klientów o niestandardowych potrzebach, aby spełnić specjalne wymagania klientów dotyczące produktów. Produkty firmy są szeroko stosowane w przemyśle lotniczym, komunikacyjnych stacjach bazowych, sprzęcie medycznym i innych dziedzinach zaawansowanych technologii. W czasie reformy, innowacji, rozwoju i wzrostu przedsiębiorstwa, firma podjęła inicjatywę przyłączenia się do międzynarodowego systemu zarządzania jakością ISO9001 i stale doskonaliła poziom zarządzania, aby zapewnić bardziej satysfakcjonujące produkty i usługi nowym i starym klientom.
Najnowsze wiadomości
Szukasz możliwości biznesowych?

Prośba o telefon dzisiaj